EB DELTA R4 LONG
ფასი: 2990 $
ტექნიკური მახასიათებლები
მოწყობილობის მოდელი: EB DELTA R4 LONG
ერთიანი ზალპური ჩაშვება: 290 ლ.
მოცულობა მ³/დღეში: 0.8
გამოყენებული ენერგია (კვტ/სთ დღე-ღამეში): 0.9
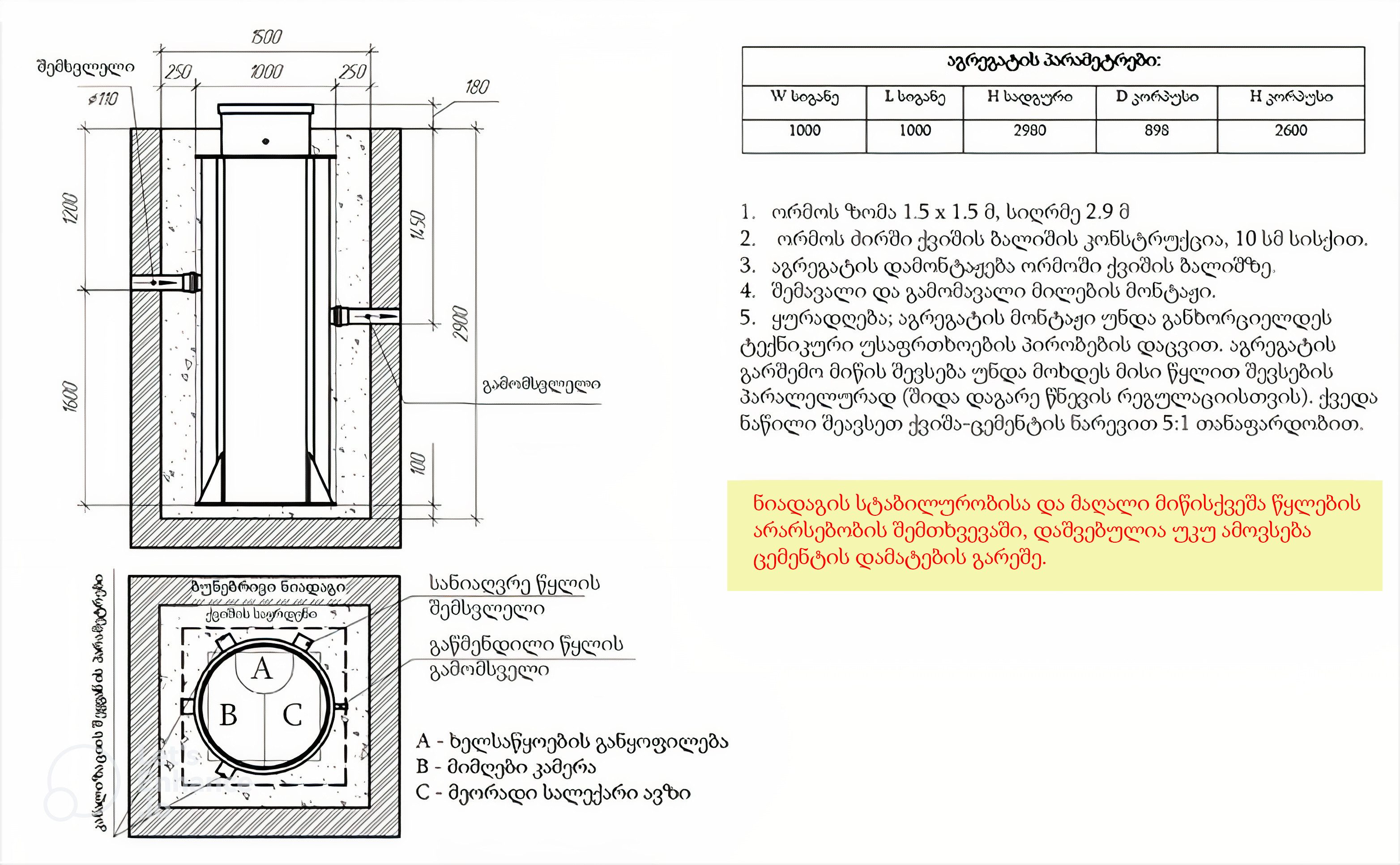
მოწყობილობის ზომა: 1000x1000x2980 (მმ)
წონა (კგ): 103
შესაკვეთად დაგვიკავშირდით
+(995) 599 57 56 35
მომხმარებელთა რაოდენობა X 4
შემსვლელი მილის სიღრმე მიწის ზედაპირიდან 1200 (მმ)
პროდუქტის აღწერა
ღრმა ბიოლოგიური გაწმენდის დანადგარი ეჟექტორული აერაციით, რომელიც უზრუნველყოფს ჩამდინარე წყლების 98%-მდე გაწმენდას.
საბაზო კომპლექტაციაში შედის:
• საგანგებო განათების სიგნალიზაცია;
• 2 ფეკალური ტუმბო პრემიუმ სერიის ბრენდებიდან (არჩევით: Pedrollo, AquaTechnica LEADER, Gardena, Grundfos, Wilo);
• 3 ეჟექტორი;
• 2 უხეში გაწმენდის ფილტრი.
სადგურის კორპუსი დამზადებულია 8 მმ სისქის პირველადი პოლიპროპილენისგან.
სამონტაჟო სქემა

